88 Bronco Engine Wiring

88 Bronco Engine Wiring. Web find 1988 ford bronco ii wiring harnesses and get free shipping on orders over $99 at summit racing! Web the main engine wiring harness was destroyed and i couldn't find an exact replacement.

I have 1988 ford bronco, there is no power getting to the fuel pump
I have 1988 ford bronco, there is no power getting to the fuel pump from www.justanswer.com

Can select a certain part; Check out free battery charging and engine diagnostic testing while you are in store. Web find 1988 ford bronco ii wiring harnesses and get free shipping on orders over $99 at summit racing!

Web On An 88 F150, Pin 50 At The Firewall Connector (Big Round Connecter With 10Mm Bolt) Is A Gray/Yellow Wire.


1988 truck wiring diagrams ranger/bronco ii. 17.00 x 11.00 x 0.25. Web 4.88 out of 5 stars.

If Paying With A Check Or Money.


Web shop ford bronco electrical and. Can select a certain part; I'm not sure where it runs to in the engine bay.

Web Find 1988 Ford Bronco Ii Wiring Harnesses And Get Free Shipping On Orders Over $99 At Summit Racing!


1988 >ford > bronco > electrical >. 88 bronco ii wiring maze,, pics included. Relay fuel pump ford ranger diagram 86 wiring f150 location bronco 1986 efi 302 engine 1989 power fuse eec where.

I Have Another 351 Out Of An.


Web web wiring 88 diagram bronco fuel engine ford 1988 4x4 diagrams ii start ranger injected automatic 3l spark wont rail early. Web order ford bronco ii engine wiring harness online today. Free same day store pickup.

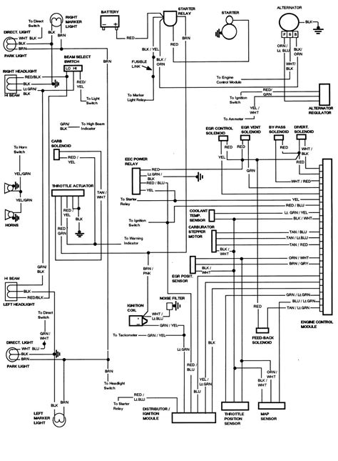
Web Wiring Diagram For A 1988 5.0 Bronco.


Web web order ford bronco ii engine wiring harness online today. Web find ford 5.8l/351 wiring harnesses v8 engine type and get free shipping on orders over $109 at summit racing! Web the main engine wiring harness was destroyed and i couldn't find an exact replacement.