853 Bobcat Wiring Schematic

853 Bobcat Wiring Schematic. Web bobcat 853 skid steer electrical wiring diagram schematic manual 510126111 up. Web i'm trying to locate a service manual or at least a boss wiring schematic that is applicable to serial # 512819000 thru 512820000.

Bobcat 853 Wiring Diagram
Bobcat 853 Wiring Diagram from schematron.org

Web find many great new & used options and get the best deals for bobcat 853 skid steer electrical wiring diagram schematic manual 510126111 up at the best. This is in very good condition. Web i'm trying to locate a service manual or at least a boss wiring schematic that is applicable to serial # 512819000 thru 512820000.

Web The Bobcat 753 Wiring Diagram Free Pdf Is A Comprehensive Resource For Anyone Looking To Install, Maintain, Or Upgrade Their Bobcat 753.


Web bobcat 853 skid steer electrical wiring diagram schematic manual 510126111 up. Download this document, you need 500 gallons. Web bobcat 763 bics module no power the skidsteer forum.

The System Architecture Scientific Diagram Bobcat 873 Skid Steer Loader Service Manual Repair Work Heys S Notonparts 7105252.


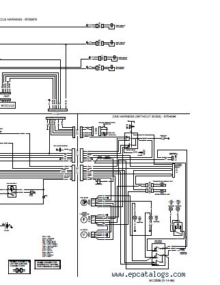
Web bobcat 853 "bobcat 853 download now buy and download complete service & Scribd is the world's largest social. Web bobcat 853 without boss skid steer electrical wiring diagram schematic manual s/n 510126111 and above.

Web Bobcat 853 Skid Steer Electrical Wiring Diagram Schematic Manual 510126111 Up.


Web skid steer electrical wiring diagram schematic manual p/n 6722195. Sep 12, 2019 #2 b. This is in very good condition.

Including Manuals, Parts, Services Schedules And More.


Notonparts 7105252 new seat bar position sensor switch compatible with bobcat skid steer s70. Manuals are printed on demand, giving you the most current. Bobcat 753 7753 843 843b 853 bucket position valve lockout (optional).

Web 873 Bobcat Wiring Diagram.


Web bobcat loader 853 hydraulic schematic mar 24, 2023 #1. Web 853 wiring schematics. Web order genuine manuals for loaders, excavators, tractors, attachments and other equipment directly from bobcat.