83 Jeep Wiring Schematic

83 Jeep Wiring Schematic. Full color cj wiring diagram 8 cj7 harness jeep enthusiast forums scrambler 1971 86. By admin | december 14, 2017.

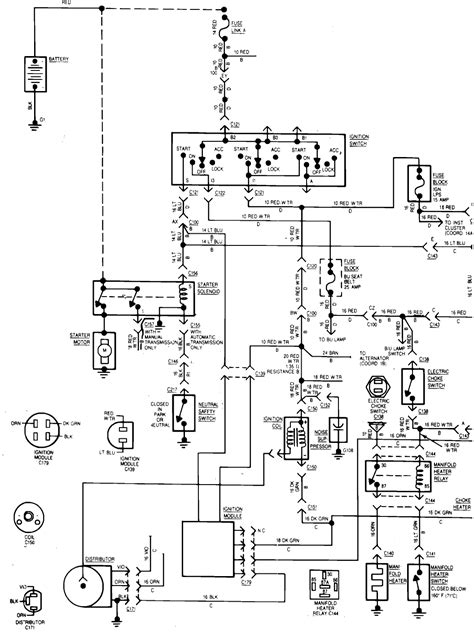
1983 Jeep Scrambler Wiring Diagram Reviewmotors.co
1983 Jeep Scrambler Wiring Diagram Reviewmotors.co from reviewmotors.co

Web electric l 6 engine wiring diagram with images chevy trucks. Web 83 jeep cj7 wiring diagram. 1984 4.0 inline 6 and i need a wiring.

18 Images About Jeep Cj7 Wiring Diagram :


Full color cj wiring diagram 8 cj7 harness jeep enthusiast forums scrambler 1971 86. 1983 jeep cj7 wiring diagram. Web electric l 6 engine wiring diagram with images chevy trucks.

Web Jeep Cj7 Wiring Diagram.


By admin | december 14, 2017. Jump to latest follow hey, everyone! Web 86/00 cj7 laredo, 33x9.5 bfg at's, 'glass nose to tail in '00, 'new' frame,wires and plumbing in '09.

Carter Bbd Carbed 4.0 Ho In '10.


Web the 1980 jeep cj wiring diagram is a schematic diagram that takes into account the layout of the vehicle and its electrical components. He has so many splices etc and i am trying to get. 1976 1983 jeep cj5 1976 1986 jeep cj7.

#7 ยท Jun 5, 2019.


Web 1983 jeep scrambler wiring diagram reviewmotors.co from reviewmotors.co. 10 best jeep parts images electrical. Web the following wiring diagram files are for 1976 and 1977 jeep cj.

1984 4.0 Inline 6 And I Need A Wiring.


18 images about jeep cj7 wiring diagram : Web with its detailed schematics and diagrams, it helps vehicle owners. Web 83 jeep cj7 wiring diagram wiring diagram 1980 jeep cj7 :