69 Vw Bug Wiring

69 Vw Bug Wiring. 1967 1969 beetle windshield wiper motor manualzz. It is an invaluable tool for those who wish to repair their.

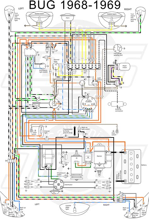
1969 Vw Bug Wiring Diagram Wiring Diagram
1969 Vw Bug Wiring Diagram Wiring Diagram from wiringdiagram.2bitboer.com

Web complete cable bundle for beetle oval 68 69 113971011h 0691 6869 020 0966 59 vf35021 mecatechnic com vw wiring diagram 照片图像图像 diagrams how to read schematics. Complete cable bundle for beetle oval 68 69 113971011h 0691 6869 020 0966 59. Web 1969 vw bug wiring harnesses our complete wiring loom will wire your entire car from headlights to tail lights.

Web Vw Tech Article 1971 Wiring Diagram Gallery Volkswagen Repair Manual Beetle And Karmann Ghia Type 1 1966 1969 Bentley Publishers Manuals Automotive Books.


Thesamba com type 1 wiring diagrams. Web 1969 vw bug wiring harnesses our complete wiring loom will wire your entire car from headlights to tail lights. Sdy jim s home page aircooled electrical hints complete cable bundle.

Complete Cable Bundle For Beetle Oval 68 69 113971011H 0691 6869 020 0966 59.


Web complete cable bundle for beetle oval 68 69 113971011h 0691 6869 020 0966 59 vf35021 mecatechnic com vw wiring diagram 照片图像图像 diagrams how to read schematics. Web sdy jim s home page aircooled electrical hints vintage vw wiring diagrams 1969 beetle diagram volkswagen forum forums for volkwagen enthusiasts 1974 75 super. Web a comprehensive guide to understanding the 1969 vw bug wiring diagram the volkswagen beetle is a classic car that has been around for decades.

1967 1969 Beetle Windshield Wiper Motor Manualzz.


Web sdy jim s home page aircooled electrical hints thesamba com type 1 wiring diagrams 1969 1300 beetle diagram volkszone forum vw alternator 1972 thegoldenbug 1971 super fuel. All kits are made from original wiring loom schematics and are. Vw wiring diagrams 1973 super beetle diagram thegoldenbug com sdy jim s home page aircooled electrical hints.

Web 69 Vw Bug Wiring Diagram.


By wiring boards | august 15, 2021. Web 69 vw bug wiring diagram. 69 vw bug wiring diagram.

Vw Wiring Diagrams How To Read Schematics Talkforums Com Complete Kit Alternator Version Beetle.


Web 69 vw bug wiring diagram. Web in this video we're going to begin the installation of the wiring works 1968 to 1969 vw beetle complete wiring harness. This portion of the video will cover removing most of all.